• 当前位置:
  • 首页» 信息阅读
UG建模练习——创建铸造支撑架

UG建模练习——创建铸造支撑架

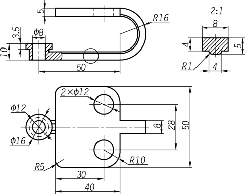
    根据零件图创建其三维模型。


模型参考