• 当前位置:
  • 首页» 信息阅读
UG建模练习——创建机床回转工作台

UG建模练习——创建机床回转工作台

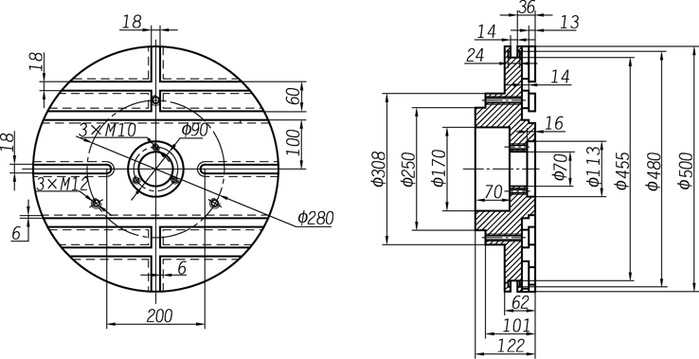
    参照机床回转工作台的零件示意图,创建其三维模型。


模型参考