• 当前位置:
  • 首页» 信息阅读
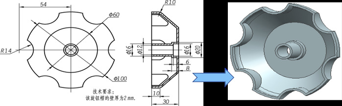
UG建模——创建旋钮

UG建模——创建旋钮

    制作思路:

    先使用“回转”命令创建旋钮的基体部分,然后使用“圆角”、“拉伸”、“实例特征”、“抽壳”和“孔”等命令为基体部分添加其他特征,以得到旋钮模型。